You are here

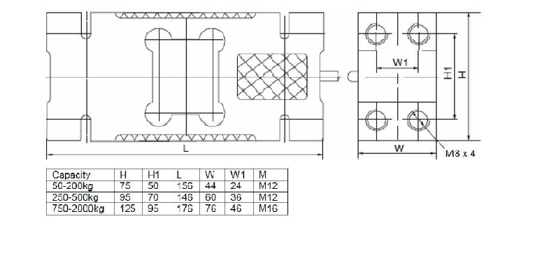
Type BP320 is an aluminum construction and high performance single point type loadcell for direct mounting of large weighing platforms.

Key features
-Capacities: 50 ~ 2000 kg
-OIML approved
-Aluminum construction
-Protection class: IP65

Please wait while the page is loading