Skip to main content
Scale-Link Automation, Inc.
Login
Sign up
Apply
Products
Industrial Scales
Bench & Portable Scales
Crane Scales
Exproof Industrial Scales
Exproof Vehicle Scales
Floor Scales
Forklift Scale
In Motion Checkweighers
Mobile Scales
Scissor Lift Scales
Vehicle Scales
Laboratory Balances
Accessories
Analytical Balances
HPB series
HPBG series
M Series
M5 series
MG series
Density Kit
Foundry Density Balances
High Capacity Balances
M5-RB series
RB Series
RBG series
Hydrostatic Balances
MOISTURE ANALYZERS
M5-Thermo series
i-Thermo G series
Micro Balances
Optical instruments
CAMERAS
HDMI Cameras
Special Cameras
TABLET Cameras
USB 3.0 Cameras
MICROSCOPES
Biological microscopes
Fluorescence
Metallographic microscopes
Polarization
Stereo Microscopes
SPECTROPHOTOMETERS
UV
VISIBLE
double beam
Pharmacy Balances
Pipette Checking
PT Series
Platform Scale
TDY-L
TDY-M
TDY-S
Precision Balances
ES Portable Series
L / LW series
L 0,001g resolution
L 0,01g resolution
L 0,1g resolution
LW 0,001g resolution
LG / LGW series
LG 0,001g resolution
LG 0,1g resolution
LG 0.01 g resolution
LGW 0,001g resolution
M / MW Series
M 0,001g resolution
M 0,01g resolution
MW 0.001 g resolution
MG / MGW series
MG 0.001 g resolution
MG 0.01 g resolution
S Portable Series
0.001 g resolution
0.01 g resolution
0.1 g resolution
Semi Micro Balances
HPB series
HPBG series
M5 Series
SHPBG series
Lightning and Surge Protection
LIGHTNING EARLY WARNING SYSTEM
LOW VOLTAGE SURGE PROTECTIVE DEVICE
PV SPD
TPS 220 Series
VA150 Series
VA150B Series
VA40 Series
VA60 Series
VC20 Series
VD10 Series
Wind Power SPD
SPD SPECIFIC DISCONNECTOR
Signal Level Surge Protective Device
TD1-13A Series (PROCESS CONTROL SIGNAL)
TD10 Series (TELEPHONE SIGNAL)
TD2 Series (VIDEO & NETWORK SIGNAL)
TD7 Series (SERIES SERIAL PORT SIGNAL)
TD9 Series (POE NETWORK & NETWORK SIGNAL)
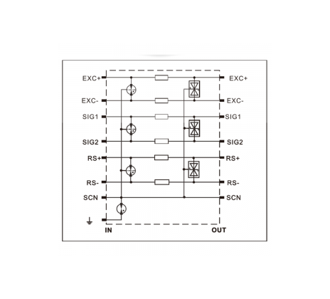
TPS LC9 Series (LOAD CELL SIGNAL)
Load Cells & Modules
EXPROOF LOAD CELLS & MODULES
EXPROOF LOAD CELLS
Exproof Load Cells Weigh Modules
EXPROOF WEIGH MODULE FOR DOUBLE ENDED TYPES
LAD410 Exproof Weigh Module for Double Ended Type
LAD420 Exproof Weigh Module for Double Ended Type
Exproof Weigh Module for Beam Types
Exproof Weigh Module for Compression Types
LAC Exproof Weigh Module for Compression Type
LACH Exproof Weigh Module for Compression Type
LARC3SW Exproof Weigh Module For Compression Types
LARLC Exproof Weigh Module for Compression type
Exproof Weigh Module for Tensions Types
LA5403 Exproof Weigh Module for Tension Types
Load Cells
Beam Load cells
Compression Load Cells
Digital Load Cells
Double Ended Beam Load cells
Single Point Load Cells
Special Load Cells
Tension Load Cells
Load cells Weigh Modules
Modules for Compression Types
Weigh Module For Double Ended Types
Weigh Module For Tension Types
Weigh Modules for Beam Type
Metal Detector
Search Heads
Weighing Electronics
ACCESSORIES
Accessories for printer
Desktop Printer
INDUSTRIAL WIFI/UART DEVICE SERVER
LIGHTNING PROTECTION DEVICES
LOAD CELL JUNCTION BOXES
Label Design Software
Load Cell Cables
Printers
Remote Displays
Test Weights
DIGITAL LOAD CELL INSTRUMENTS
Exproof Weighing Electronics
BX23 EX2/22 WEIGHING TERMINAL
BX24 EX2/22 WEIGHING TERMINAL
BX25 EX2/22 WEIGHING TERMINAL
Ex-proof Junction Boxes
Weighing Indicators & Terminals
Industrial Computers
Process Indicators & Controllers
Weighing Indicators
Advance Indicators
Basic Indicators
Weighing Terminals
Weight Transmitters
Analogue Transmitters
Digital Transmitters
Solutions
Filling & Dosing Systems
Industrial Weighing Solutions
Statistical Quality Control
Service & Support
Technical Service Support
Expert Sales & Support Your Project
Calibration
Calibration of Electronic Scales
Industries
About
About Us
Careers
Quality Certifications
Product Certifications
Brochures
Catalogs
Contact
Request a Quote
You are here
Home
»
Lightning and Surge Protection
»
Signal Level Surge Protective Device
»
TPS LC9 Series (LOAD CELL SIGNAL)
»
TPS-LC9
TPS-LC9
Request For a Quote
Please wait while the page is loading