You are here
BY554-BY554HT Double Ended Beam Load Cell
Baykon BY554 is a Special Type, Steel Construction Double Ended Shear Beam Load Cell. It is specifically designed for the high fatique stresses, ship and melting pot weighing, very heavy capacity weighing systems and industrial process.
BY554HT model is designed for high temperature environments up to 150degC degrees.
Key Features
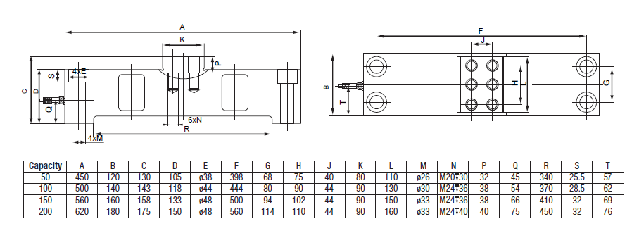
- Capacities: 50~200 t
- Alloy Steel Construction
- High Accuracy
- Protection Class: IP67
- HT Type for 150degC
Key Features:
-Capacities: 50~200 t
-Alloy steel construction
-High accuracy
-Protection class: IP67
-HT type for 150degC
-Alloy steel construction
-High accuracy
-Protection class: IP67
-HT type for 150degC

