You are here
BW010 Web Tension Load Cell
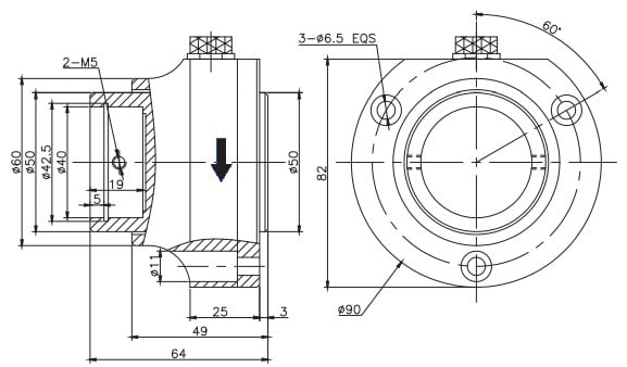
The BW010 series of web tension load cells, by being installed on the roll shaft directly and easily, sensitively detect the resultant force caused by pulling the material based on the wrap angle.
BW010 tension measuring load cells are made of stainless steel and have a wide range of capacity options depending on the application.
-Capacities: 20~200 kg
-Extremely robust
-Stainless steel construction
-Flange mounting
-Easy installation
-Overload protection
Key Features:
-Capacities: 20~200 kg
-Extremely robust
-Stainless steel construction
-Flange mounting
-Easy installation
-Overload protection
-Extremely robust
-Stainless steel construction
-Flange mounting
-Easy installation
-Overload protection

