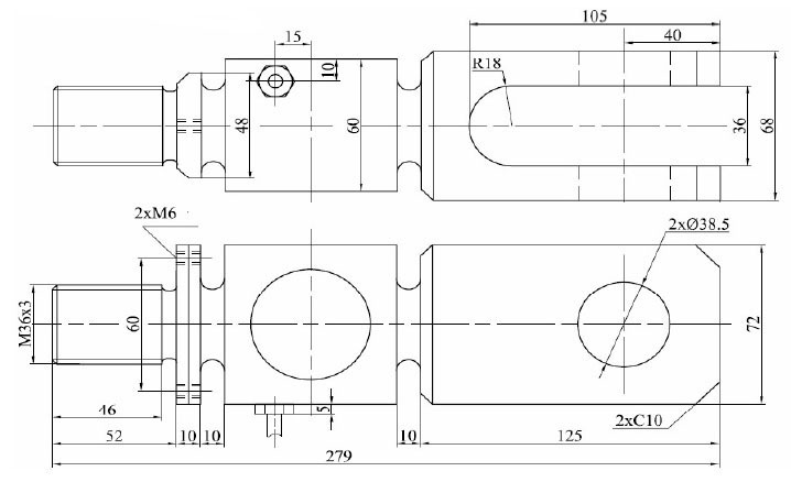
Type BY410 is a steel construction, tension type loadcell. It is suitable for hook scales, tension testing systems and other similar special applications.
Key Features:
- Capacity: 5 ton
- Stainless steel construction
- Protection class: IP68
- High accuracy