You are here
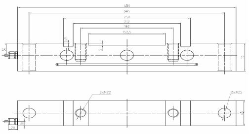
BY540
Type BY540 is a special type, alloy steel construction double ended shear beam loadcell and has been specifically designed for the truck and railway scales. It is also suitable for on board weighing, ship weighing, and similar high capacity applications.
Key Features:
- Capacity: 30 ton
- Alloy steel construction
- Protection class: IP68
- High accuracy

