You are here
BY730 Extensometer
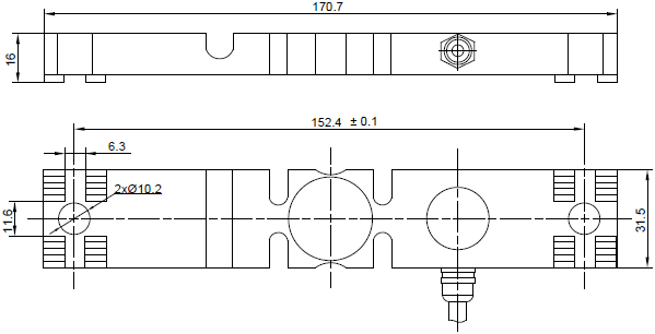
Baykon BY730 extensometer is designed for silo inventory monitoring. The sensor measures the elastic deformation that occurs in the support legs of a silo. It features a low activation force and a high-gain analogue output, perfect for measuring forces in rigid structures.
It's a fully welded, stainless steel device that bolts on to an existing silo set-up. Its electro-polished finish is ideal for clinical processing environments. An optional installation kit is available to simplify mounting and connection to electronics
-Strain gage based sensor
-Material: Alloy steel
-Easy montage with 2 bolt holes
-Protection class: IP66
Key Features:
-Strain gage based sensor
-Material: Alloy steel
-Easy montage with 2 bolt holes
-Protection class: IP66
-Material: Alloy steel
-Easy montage with 2 bolt holes
-Protection class: IP66

