You are here
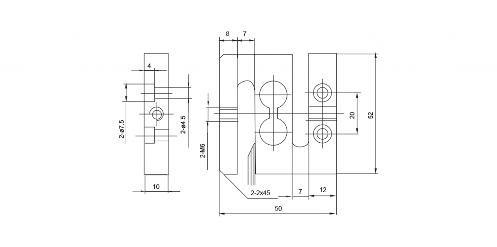
BT601 Tension Load Cell
Baykon BT601 is low-cost and high performance Tension Type Load Cell. They are manufactured from high durability aluminium construction.
BT601 series load cells perfectly fit for use in low capacities weighing applications, suspended hopper weighing and general test or force measurement.
Key Features
- Capacities; 2 kg / 5 kg / 10 kg
- High Durable Aluminium Construction
- Protection Class IP65
Key Features:
-Capacities; 2 kg / 5 kg / 10 kg
-High durable aluminium construction
-Protection class IP65
-High durable aluminium construction
-Protection class IP65

